Your region has been set automatically. Please confirm or select a different region.
VPG® Revere SHB Stainless Steel, Single-ended Beam Load Cell
The SHB is constructed out of stainless steel and features a welded seal for tough industrial environments where high accuracy and low profiles are required. Capacities range from 20 to 200 kg. Complete with 10 ft of load cell cable.
Approvals
Some approval documents are available to view by clicking the icons below.
WARNING: Cancer and Reproductive Harm California Proposition 65
SHB Load Cell Specifications
|
Full Scale Output: Output Resistance: Input Resistance: Material/Finish: Temperature: |
Seal Type: Safe Overload: Rated Excitation: Combined Error: Non-repeatability: Insulation Resistance: |
Deflection at Capacity: Cable Length: Cable Color Code: Warranty: Approvals: |
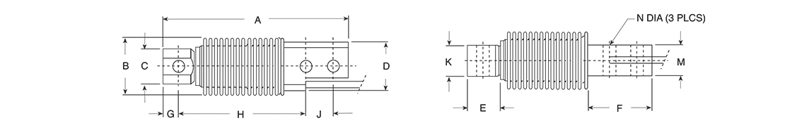
SHB Load Cell Dimensions

| Rated Capacity | A | B | C | D | E | F | G | H | J | K | M | N |
|---|---|---|---|---|---|---|---|---|---|---|---|---|
| kg/mm | ||||||||||||
| 20 to 200 | 120.0 | 38.0 | 22.9 | 31.7 | 21.2 | 42.0 | 10.0 | 82.0 | 18.0 | 20.0 | 20.0 | 8.20 |
Resources/Downloads
Parts
| Part # | Description | List Price | Cart/Quote |
|---|---|---|---|
| 28801 | Load Cell,SEB SHB-B10- 20kg-10P5 20kg 10ft RTI 2mV/V 350 OHM EW NTEP III/IIIL 3S/10M FM SST WS IP67 |
List Price: $475.00 |
|
| 28802 | Load Cell,SEB SHB-B10- 50kg-10P5 50kg 10ft RTI 2mV/V 350 OHM EW NTEP III/IIIL 3S/10M FM SST WS IP67 |
List Price: $475.00 |
|
| 28803 | Load Cell,SEB SHB-B10- 0.1t-10P5 100kg 10ft RTI 2mV/V 350 OHM EW NTEP III/IIL 3S/10M FM SST WS IP67 |
List Price: $475.00 |
|
| 28804 | Load Cell,SEB SHB-B10- 0.2t-10P5 200kg 10ft RTI 2mV/V 350 OHM EW NTEP III/IIIL 3S10M FM FM SST WS IP67 |
List Price: $475.00 |
Related Products

Rice Lake RLHBB Stainless Steel, Single-Ended Beam Load Cell
Stainless steel construction, hermetic sealing and polyurethane shielded cable enable the Rice Lake RLHBB single-ended beam load cell to function in harsh environments while maintaining its operating specifications.

HBK® Z6 Stainless Steel, Single-Ended Beam Load Cell
The HBK Z6 stainless steel, welded seal, bending beam load cell is ideal for harsh or caustic environments as well as washdown applications.

VPG® Tedea-Huntleigh® 355 Stainless Steel, Single-ended Beam Load Cell
This single-ended beam, stainless steel load cell is suitable for low-profile platforms, weighing and packing machines, electromechanical conversions and general-purpose weighing applications.