Your region has been set automatically. Please confirm or select a different region.
VPG® Revere 9103 Stainless Steel, Double-ended Beam Load Cell
Stainless steel, double-ended beam load cell designed for truck, track and process weighing. It features high-accuracy, a low profile, tolerance to non-axial loading and a redundant seal. NTEP Certified capacities range from 10,000 to 60,000 lb; non-NTEP Certified capacities of 5,000 and 150,000 lb. Complete with 30 ft of load cell cable.
Approvals
Some approval documents are available to view by clicking the icons below.
WARNING: Cancer and Reproductive Harm California Proposition 65
9103 Load Cell Specifications
|
Full Scale Output: Output Resistance: Input Resistance: Material/Finish: Temperature: Seal Type: Safe Overload: |
Safe Sideload: Rated Excitation: Combined Error: Non-repeatability: Insulation Resistance: Deflection at Capacity: |
Cable Length: Cable Diameter: Cable Color Code: Warranty: Approvals: |
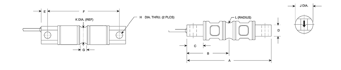
9103 Load Cell Dimensions

| Rated Capacity | A | B | C | D | E | F | G | H | J | K | L |
|---|---|---|---|---|---|---|---|---|---|---|---|
| lb/in | |||||||||||
| 5,000 to 10,000 | 8.12 | 4.06 | 1.44 | 1.12 | 0.62 | 6.88 | 0.62 | 0.66 | 1.70 | 1.48 | 0.50 |
| 20,000 | 8.12 | 4.06 | 1.44 | 1.12 | 0.62 | 6.88 | 0.84 | 0.66 | 1.95 | 1.48 | 0.50 |
| 30,000 to 60,000 | 10.25 | 5.12 | 1.88 | 2.37 | 0.88 | 8.50 | 1.00 | 1.06 | 3.00 | 2.73 | 1.00 |
| 150,000 | 11.25 | 5.62 | 1.88 | 2.80 | 0.88 | 9.50 | 1.25 | 1.06 | 3.90 | 3.64 | 1.50 |
Resources/Downloads
Parts
NTEP Certified
| Part # | Description | List Price | Cart/Quote |
|---|---|---|---|
| 17329 | Load Cell,DEB 9103-B10- 10k-30P1 10,000lb 30ft 3mv/v 700 Ohm NTEP IIIL 10M FM WW IP67 SST RTI |
List Price: $995.00 |
|
| 17330 | Load Cell,DEB 9103-B10- 20k-30P1 20,000lb 30ft 3mv/v 700 Ohm NTEP IIIL 10M FM WW IP67 SST RTI |
List Price: $995.00 |
|
| 17331 | Load Cell,DEB 9103-B10- 30k-30P1 30,000lb 30ft 3mv/v 700 Ohm NTEP IIIL 10M FM WW IP67 SST RTI |
List Price: $1,195.00 |
|
| 17332 | Load Cell,DEB 9103-B10- 40k-30P1 40,000lb 30ft 3mv/v 700 Ohm NTEP IIIL 10M FM WW IP67 SST RTI |
List Price: $1,625.00 |
|
| 17333 | Load Cell,DEB 9103-B10- 50k-30P1 50,000lb 30ft 3mv/v 700 Ohm NTEP IIIL 10M FM WW IP67 SST RTI |
List Price: $1,395.00 |
|
| 17334 | Load Cell,DEB 9103-B10- 60k-30P1 60,000lb 30ft 3mv/v 700 Ohm NTEP IIIL 10M FM WW IP67 SST RTI |
List Price: $1,395.00 |
Non-NTEP Certified
Options
Conduit Adapter Kit (must be factory installed to maintain warranty)
| Part # | Description | List Price | Cart/Quote |
|---|---|---|---|
| 31534 | Adapter,Conduit SST 1/4-18 NPT 3/8-24UNF-ZA |
List Price: $40.00 |
|
| 31535 | Adapter,Conduit SST 1/2in NPT 5/8-18UNF-2A |
List Price: $40.00 |
Related Products

Rice Lake RL70000SS Stainless Steel, Double-Ended Beam Load Cell
The Rice Lake RL70000SS double-ended beam, stainless steel load cell is designed for truck, track, and process weighing.

Rice Lake RL72020SS Stainless Steel, Double-ended Beam Load Cell
The RL72020SS is a stainless steel, double-ended beam load cell with an environmental seal and Legal for Trade NTEP certification. Available in capacities of 5,000 lb to 60,000 lb, the RL72020SS is complete with 30 ft of cable.

EZ Mount 1 Weigh Module with RL70000 Load Cell
The EZ Mount 1 Series weigh module utilizes the double-ended beam design with an articulating top plate to provide superior accuracy in any loading condition.