Is the website displaying in the correct language? Please confirm or select a different language.
Your region has been set automatically. Please confirm or select a different region.
VPG® Revere 9102 Stainless Steel, Single-ended Beam Load Cell
A form, fit and function match for the VPG Revere 5102. It is constructed out of stainless steel and ideally suited for the toughest industrial applications where high accuracy and low profile are required. Capacities range from 200 to 2,500 lb. Complete with 10 ft of load cell cable.
Approvals
Some approval documents are available to view by clicking the icons below.
WARNING: Cancer and Reproductive Harm California Proposition 65
9102 Load Cell Specifications
|
Full Scale Output: Output Resistance: Input Resistance: Material/Finish: Temperature: |
Seal Type: Safe Overload: Rated Excitation: Combined Error: Non-repeatability: Insulation Resistance: |
Deflection at Capacity: Cable Length: Cable Color Code: Warranty: Approvals: |
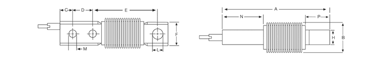
9102 Load Cell Dimensions

| Rated Capacity | A | B | C | D | E | F | H | L | M | N | P |
|---|---|---|---|---|---|---|---|---|---|---|---|
| lb/in | |||||||||||
| 200 | 5.00 | 1.53 | 0.38 | 0.62 | 3.50 | 1.22 | 0.75 | 0.39 | 0.27 | 1.50 | 1.25 |
| 500 to 1,000 | 5.38 | 1.53 | 0.62 | 1.00 | 3.25 | 1.22 | 0.75 | 0.40 | 0.40 | 2.07 | 1.20 |
| 2,500 | 5.38 | 1.53 | 0.62 | 1.00 | 3.25 | 1.22 | 0.75 | 0.53 | 0.40 | 2.07 | 1.20 |
Resources/Downloads
Parts
| Part # | Description | List Price | Cart/Quote |
|---|---|---|---|
| 40917 | Load Cell,CLB 9102-A5- 200-10P1 RTI 2mV/V 350 OHM FM SS WS IP66/68 NTEP III 5 M |
List Price: $850.00 |
|
| 40918 | Load Cell,CLB 9102-A5- 500-10P1 RTI 2mV/V 350 OHM FM SS WS IP66/68 NTEP III 5 M |
List Price: $850.00 |
|
| 40919 | Load Cell,CLB 9102-A5-1K- 10P1 RTI 2mV/V 350 OHM FM SS WS IP66/68 NTEP III 5 M |
List Price: $850.00 |
|
| 40920 | Load Cell,CLB 9102-A5- 2.5k-10P1 RTI 2mV/V 350 OHM FM WS IP66/68 NTEP III 5 M |
List Price: $850.00 |
Related Products

VPG Revere 5102 Alloy Steel, Single-ended Beam Load Cell
The VPG Revere 5102 single-ended beam load cell with high accuracy, a low profile and redundant sealing make it well suited for use in small and medium platform scales and process applications in harsh environments.