Your region has been set automatically. Please confirm or select a different region.
VPG® Celtron® SQB-HSS Stainless Steel, Single-Ended Beam Load Cell
A stainless steel, welded-seal, single-ended beam load cell with exceptional performance and reliability. Suitable for hostile environment applications, such as food and chemical processing. Designed for single or multiple load cell installations and easy adaptation of mounting hardware. Capacities range from 1,000 to 10,000 lb. Complete with 20 ft of load cell cable.
Approvals
Some approval documents are available to view by clicking the icons below.
WARNING: Cancer and Reproductive Harm California Proposition 65
SQB-HSS Load Cell Specifications
|
Full Scale Output: Output Resistance: Input Resistance: Material/Finish: Temperature: Seal Type: |
Safe Overload: Safe Sideload: Rated Excitation: Combined Error: Insulation Resistance: Cable Length: |
Cable Diameter: Cable Color Code: Warranty: Approvals: |
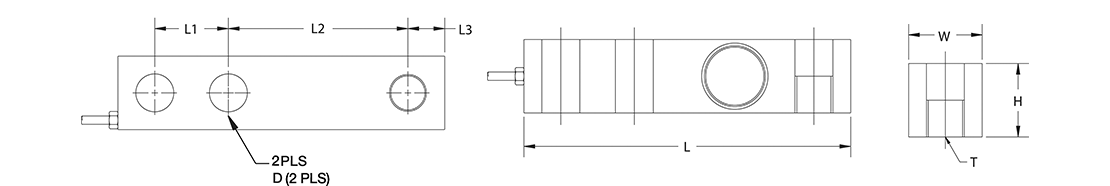
SQB-HSS Load Cell Dimensions

| Rated Capacity | L | L1 | L2 | L3 | W | H | D | T |
|---|---|---|---|---|---|---|---|---|
| lb/in | ||||||||
| 1,000 to 5,000 SE | 5.12 | 1.00 | 3.00 | 0.50 | 1.25 | 1.25 | 0.53 | 1/2-20 UNF |
| 5,000 LE to 10,000 | 6.75 | 1.50 | 3.75 | 0.75 | 1.50 | 1.50 | 0.78 | 3/4-16 UNF |
Resources/Downloads
Parts
| Part # | Description | List Price | Cart/Quote |
|---|---|---|---|
| 67118 | Load Cell,SEB SQB-HSS-1K 1,000lb 20ft Celtron 3mv/v 350ohm NTEP III 5M SST WS IP67 FM |
List Price: $344.00 |
|
| 67119 | Load Cell,SEB SQB-HSS-2K 2,000lb 20ft Celtron 3mv/v 350ohm NTEP III 5M SST WS IP67 FM |
List Price: $344.00 |
|
| 67120 | Load Cell,SEB SQB-HSS-2.5 K 2,500lb 20ft Celtron 3mv/v 350ohm NTEP III 5M SST WS IP67 FM |
List Price: $344.00 |
|
| 67122 | Load Cell,SEB SQB-HSS-4K 4,000lb 20ft Celtron 3mv/v 350ohm NTEP III 5M SST WS IP67 FM |
List Price: $344.00 |
|
| 67123 | Load Cell,SEB SQB-HSS-5K SE 5,000lb 20ft Celtron 3mv/v 350ohm NTEP III 5M SST WS IP67 FM |
List Price: $344.00 |
|
| 67124 | Load Cell,SEB SQB-HSS-5K LE 5,000lb 20ft Celtron 3mv/v 350ohm NTEP III 5M SST WS IP67 FM |
List Price: $450.00 |
|
| 67125 | Load Cell,SEB SQB-HSS-10K 10,000lb 20ft Celtron 3mv/v 350ohm NTEP III 5M SST WS IP67 FM |
List Price: $450.00 |
Related Products

VPG® Sensortronics® 65083 Stainless Steel, Single-ended Beam Load Cell
The VPG Sensortronics 65083 welded seal, precision load cell offers exceptional performance and reliability in hostile environment applications typical of food and chemical processing.

RL1800 Series Mild Steel/Stainless Steel Weigh Module Kit
The RL1800 Series mounting assembly kit utilizes several Rice Lake Weighing Systems components to provide an unmatched level of performance in tank and hopper weighing applications.