Your region has been set automatically. Please confirm or select a different region.
Translink™ Parallel Link Truck Scale Assembly
- Capacities (per module): 25,000 to 100,000 lb
- Painted mild steel construction
- Center-supported, end-loaded double-ended shear beam design
- Free movement in all directions in the horizontal plane with virtually no friction
- Links provide optimal loading conditions for the cell
- Self-centering
- Requires no check rods
- Utilizes cells with 3 mV/V output
- Compatible with Rice Lake RL75223 and RL75040, VPG® Revere 5223 and VPG® Sensortronics® 65040A load cells
Applications
- Truck scale mount
- Heavy-capacity horizontal tanks
Providing Solutions with a Variety of Load Cells
The Translink parallel link truck scale assembly is designed for use with Rice Lake Weighing Systems’ RL75223 and RL75040, VPG Revere 5223 or VPG Sensortronics’ 65040A load cells. This design allows the scale platform to move freely in all directions in a horizontal plane while causing the platform to self-center because of the pendulous action of the links. The unique parallel link design eliminates the need for costly and troublesome checkrods. Simply install platform bumpers and forget about over-travel. This mount is ideal for heavy-capacity weighbridges.
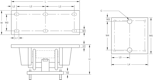
Translink Dimensions

| Rated Capacity | C | H | H1 | H2 | L | L1 | L2 | L3 | L4 | L5 | W | W1 | W2 | W3 | W4 | W5 |
|---|---|---|---|---|---|---|---|---|---|---|---|---|---|---|---|---|
| lb/in |
||||||||||||||||
| 50,000 to 100,000 (RL75223, 5223) | 1.50 | 12.93 | 1.00 | 1.00 | 22.50 | 1.50 | 1.75 | 9.50 | 11.75 | 5.88 | 7.75 | 0.91 | 5.25 | 1.25 | 9.25 | 11.75 |
| 25,000 to 40,000 (RL75040A, 65040A) | 1.50 | 9.88 | 1.00 | 1.00 | 18.50 | 1.50 | 1.75 | 7.50 | 11.75 | 5.88 | 7.75 | 0.91 | 5.25 | 1.25 | 9.25 | 11.75 |
| 50,000 to 75,000 (RL75040A, 65040A) | 1.50 | 12.82 | 1.00 | 1.00 | 22.50 | 1.50 | 1.75 | 9.50 | 11.75 | 5.88 | 7.75 | 0.91 | 5.25 | 1.25 | 9.25 | 11.75 |
Resources/Downloads
Sales Literature
| Title | Collateral Wizard | Request | Download | Category | |
|---|---|---|---|---|---|
| Translink Parallel Link Truck Scale Assembly | Request | Download | Weigh Modules | ||
| Load Cell and Weigh Module Selection Guide | Request | Download | Load Cells|Weigh Modules | ||
| Load Cell Selection Guide | Request | Download | Load Cells|Weigh Modules |
Parts
For Use With RL75223, 5223 Load Cells
| Part # | Description | List Price | Cart/Quote |
|---|---|---|---|
| 17970 | Mount,Translink 50,000- 100,000 lb Mild Steel Painted Compression No Cell For RL75223 |
List Price: $885.00 |
For Use With RL75040, 65040A Load Cells
Replacement Parts
Replacement parts can only be purchased through trained and authorized dealers. You must be logged in as a dealer to view any available replacement parts.
To locate a dealer in your area, please call us at 1-800-472-6703 or fill out a request online.
Related Products

VPG Sensortronics 65040A Alloy Steel, Double-ended Beam Load Cell
VPG Sensortronics 65040A is an alloy steel, double ended beam load cell that is nickel plated and environmentally protected with stainless steel side plates.

VPG® Sensortronics® 65040A-1127W Alloy Steel, Double-ended Beam Load Cell
The VPG Sensortronics 65040A-1127W is an alloy steel, epoxy painted and welded seal double link center loaded load cell.

VPG Revere 9223 Stainless Steel, Double-Ended Beam Load Cell
he VPG Revere 9223 is a high-performance, end-loaded, center-supported, double-ended beam load cell designed for low-profile truck and truck scales in harsh environments.

Rice Lake RL75223 Alloy Steel, Double-ended Beam Load Cell
The Rice Lake RL75223 double-ended beam, alloy steel load cell is a very high performance end-loaded, center-supported shear beam designed for low-profile truck and track scales in harsh environments.

Rice Lake RL75040 Alloy Steel, Double-ended Beam Load Cell
The Rice Lake RL75040 double-ended beam load cell, alloy steel is designed for center mounting and double link loading, compatible with Unilink/Translink suspension up to 75,000 pounds (34,019.4 kilograms).