Your region has been set automatically. Please confirm or select a different region.
SURVIVOR® RL1855 HE-HS Weigh Module Kits
Complete Kit Includes
- Three or four RL1855 HE stainless steel mounts with RL32218S-HE NTEP Certified hermetically sealed stainless steel load cells
- One JB4SS NEMA Type 4X stainless steel signal trim junction box
- 25 ft of hostile environment EL147HE SURVIVOR load cell cable
Standard Features
- NTEP Certified load cells, 5,000 d Class III multiple load cell
- All stainless steel construction
- Self-checking design with lift off/tip off protection
Applications
- Medium-capacity hoppers, bins and tanks
- Batching/blending
Approvals
Some approval documents are available to view by clicking the icons below.
WARNING: Cancer and Reproductive Harm California Proposition 65
Weigh Modules with Simple Installation and Precise Accuracy
The internal height adjustment feature of the SURVIVOR RL1855 HE weigh module reduces the need for shims or external hardware, simplifying installation. The standard conduit adapter allows for connection to conduit for cable protection. With standard NTEP Certified, 1:5000 division Class III load cells, the RL1855 HE weigh module provides an accurate weighing system when properly installed. Highly versatile, the RL1855 HE weigh module offers worry-free operation in a wide variety of rugged applications.
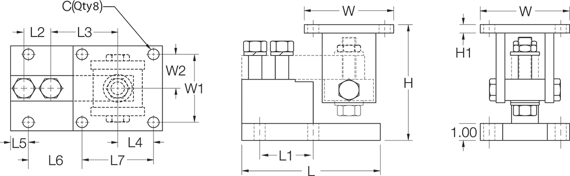
SURVIVOR RL1855 HE-HS Dimensions

| Rated Capacity |
C | H min/max |
H1 | L | L1 | L2 | L3 | L4 | L5 | L6 | L7 | W | W1 | W2 |
|---|---|---|---|---|---|---|---|---|---|---|---|---|---|---|
| lb/in | ||||||||||||||
| 1,000 to 4,000 | 0.62 | 5.25/5.56 | 0.50 | 6.00 | 2.00 | 1.00 | 3.00 | 2.00 | 0.68 | 1.94 | 4.00 | 5.00 | 4.00 | 2.00 |
| 5,000 to 10,000 | 0.62 | 6.12/6.62 | 0.50 | 7.75 | 3.00 | 1.50 | 3.75 | 2.00 | 1.03 | 2.97 | 4.00 | 5.00 | 4.00 | 2.00 |
Resources/Downloads
Parts
Single Modules (Includes Load Cell)
| Part # | Description | List Price | Cart/Quote |
|---|---|---|---|
|
170857
|
Mount Assy,1855HE-HS 1000 1000lb SST HE INCL RL32218S-HE IP69 Load Cell
|
List Price: $1,065.00 |
|
| 170858 | Mount Assy,1855HE-HS 2500 2500lb SST HE INCL RL32218S-HE IP69 load cell |
List Price: $1,065.00 |
|
|
170859
|
Mount Assy,1855HE-HS 4000 4000lb SST HE INCL RL32218S-HE IP69 load cell
|
List Price: $1,065.00 |
|
|
170860
|
Mount Assy,1855HE-HS 5000 5000lb SST HE INCL RL32218S-HE IP69 load cell
|
List Price: $1,150.00 |
|
|
170861
|
Mount Assy,1855HE-HS 10,000lb SST HE INCL RL32218S-HE IP69 load cell
|
List Price: $1,150.00 |