Your region has been set automatically. Please confirm or select a different region.
Rod End Ball Joints
- Mild steel or stainless steel
- Used in the ITCM assembly
- One jam nut included with each rod end ball joint
Where a flexible connection is required, rod end ball joints always have a spherical ball that may or may not be fitted with a stud.
Red End Ball Joints Specifications
|
Part # |
Safe Load* | Breaking Strength | PTFE Lined |
|---|---|---|---|
| Mild Steel | |||
| 17746 | 975 lb | 3,915 lb | YES |
| 17734 | 1,200 lb | 4,916 lb | NO |
| 17736 | 4,000 lb | 16,238 lb | NO |
| 17738 | 7,000 lb | 28,081 lb | NO |
| 17735 | 2,000 lb | 8,075 lb | NO |
| 17737 | 3,250 lb | 13,831 lb | NO |
| 17739 | 500 lb | 2,158 lb | YES |
| 17740 | 4,000 lb | 16,238 lb | YES |
| 17741 | 10,000 lb | 40,572 lb | YES |
| 17742 | 10,500 lb | 43,541 lb | NO |
| 26007 | 15,000 lb | 76,200 lb | YES |
| 17747 | 19,000 lb | 76,200 lb | YES |
| 17743 | 20,000 lb | 79,728 lb | NO |
| 17744 | 24,000 lb | 96,510 lb | NO |
| Stainless Steel | |||
| 33506 | 1,500 lb | 7,362 lb | YES |
| 33505 | 500 lb | 2,158 lb | YES |
| 33507 | 3,000 lb | 16,238 lb | YES |
| 33508 | 7,000 lb | 40,572 lb | YES |
| *Do not exceed the safe load | |||
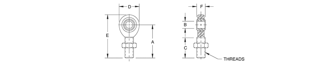
Rod End Ball Joints Dimensions

| PART # | A | B | C | D | E | F | THREAD SIZE |
|---|---|---|---|---|---|---|---|
| Mild Steel | |||||||
| 17746 | 1.94 in | 0.37 in | 1.25 in | 1.00 in | 2.43 in | 0.50 in | 3/8-24 UNF |
| 17734 | 1.94 in | 0.37 in | 1.25 in | 1.00 in | 2.43 in | 0.50 in | 3/8-24 UNF |
| 17736 | 2.44 in | 0.50 in | 1.50 in | 1.31 in | 3.09 in | 0.62 in | 1/2-20 UNF |
| 17738 | 2.87 in | 0.75 in | 1.75 in | 1.75 in | 3.75 in | 0.87 in | 3/4-16 UNF |
| 17735 | 2.44 in | 0.50 in | 1.50 in | 1.31 in | 3.09 in | 0.62 in | 1/2-20 UNF |
| 17737 | 2.87 in | 0.75 in | 1.75 in | 1.75 in | 3.75 in | 0.87 in | 3/4-16 UNF |
| 17739 | 1.56 in | 0.25 in | 1.00 in | 0.75 in | 1.93 in | 0.37 in | 1/4-28 UNF |
| 17740 | 2.44 in | 0.50 in | 1.50 in | 1.31 in | 3.09 in | 0.62 in | 1/2-20 UNF |
| 17741 | 2.87 in | 0.62 in | 1.75 in | 1.75 in | 3.75 in | 0.75 in | 3/4-16 UNF |
| 17742 | 4.12 in | 1.00 in | 2.12 in | 2.75 in | 5.50 in | 1.37 in | 1-12 UNF |
| 26007 | 4.12 in | 1.00 in | 2.12 in | 2.75 in | 5.50 in | 1.37 in | 1-14 UNS |
| 17747 | 4.12 in | 1.00 in | 2.12 in | 2.75 in | 5.50 in | 1.37 in | 1-12 UNF |
| 17743 | 4.12 in | 1.25 in | 2.12 in | 2.75 in | 5.50 in | 1.09 in | 1 1/4-12 UNF |
| 17744 | 5.37 in | 1.50 in | 3.00 in | 3.50 in | 7.12 in | 1.31 in | 1 1/2-12 UNF |
| Stainless Steel | |||||||
| 33506 | 1.94 in | 0.37 in | 1.25 in | 1.00 in | 2.43 in | 0.50 in | 3/8-24 UNF |
| 33505 | 1.56 in | 0.25 in | 1.00 in | 0.75 in | 1.93 in | 0.37 in | 1/4-28 UNF |
| 33507 | 2.44 in | 0.50 in | 1.50 in | 1.31 in | 3.09 in | 0.62 in | 1/2-20 UNF |
| 33508 | 2.87 in | 0.62 in | 1.75 in | 1.75 in | 3.75 in | 0.75 in | 3/4-16 UNF |
Resources/Downloads
Parts
Mild Steel
| Part # | Description | List Price | Cart/Quote |
|---|---|---|---|
| 17746 | Rod End,3/8-24NF 1-1/4 Shank 1,000 lb Steel Plated Jam Nut INCL PTFE Lined |
List Price: $34.00 |
|
| 17734 | Rod End,3/8-24NF 1-1/4 Shank 1,200 lb Steel Plated Jam Nut INCL |
List Price: $24.00 |
|
| 17736 | Rod End,1/2-20NF 1-1/2 Shank 4,000 lb Steel Plate Jam Nut INCL |
List Price: $60.00 |
|
| 17738 | Rod End,3/4-16NF 1-3/4 Shank 7,000 lb Steel Plated Jam Nut INCL |
List Price: $103.00 |
|
| 17735 | Rod End,1/2-20NF 1-1/2 Shank 2,000 lb Steel Plated Jam Nut INCL |
List Price: $29.00 |
|
| 17737 | Rod End,3/4-16NF 1-3/4 Shank 3,250 lb Steel Plated Jam Nut INCL |
List Price: $42.00 |
|
| 17739 | Rod End,1/4-28NF 1 Shank 500 lb Steel Plated Jam Nut INCL PTFE Lined |
List Price: $34.00 |
|
| 17740 | Rod End,1/2-20NF 1-1/2 Shank 4,000 lb Steel Plated Jam Nut INCL PTFE Lined |
List Price: $55.00 |
|
| 17741 | Rod End,3/4-16NF 1-3/4 Shank 10,000 lb Steel Plated Jam Nut INCL PTFE Lined |
List Price: $82.00 |
|
| 17742 | Rod End,1-12NF 2-1/8 Shank 10,500 lb Steel Plated Jam Nut INCL |
List Price: $154.00 |
|
| 26007 | Rod End,1-14NS x 2-1/8 Shank 15,000 lb Steel Plated Jam Nut INCL PTFE Lined |
List Price: $318.00 |
|
| 17747 | Rod End,1-12NF 2-1/8 Shank 15,000 lb Steel Plated Jam Nut INCL PTFE Lined |
List Price: $366.00 |
|
| 17743 | Rod End,1-1/4-12NF 2-1/8 Shank 20,000 lb Steel Plated Jam Nut INCL |
List Price: $276.00 |
|
| 17744 | Rod End,1-1/2-12NF 3 Shank 24,000 lb Steel Plated Jam Nut INCL |
List Price: $382.00 |