Your region has been set automatically. Please confirm or select a different region.
RLD-10K Alloy Steel, Environmentally Sealed Load Cell
The RLD-10K double-ended shear beam load cell has a low profile and rigid mount. The RLD-10K is ideal for
applications where suspension mounts are not suitable, profile increases don't work, or dynamic forces are present.
RLD-10K Specifications
|
Full Scale Output: Output Resistance: Input Resistance: Material/Finish: Temperature: |
Rated Excitation: Non-linearity: Insulation Resistance: Seal Type:
|
Connector Type: Connection Pin Out: Warranty: |
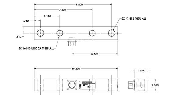
RLD-10K Dimensions

Resources/Downloads
Parts
| Part # | Description | List Price | Cart/Quote |
|---|---|---|---|
| 120959 | Load Cell,DEB 3.0 mV/V 10,000lb/4536KG, 1.5 x 1.625 x 10.25, 5 Pin CONN OnBoard Weighing |
List Price: $1,260.00 |