Your region has been set automatically. Please confirm or select a different region.
RLC Stainless Steel Weigh Module, VPG® Revere
Complete Kit Includes
- Three or four RLC stainless steel compression mounts with RLC NTEP Certified stainless steel hermetically sealed compression disk load cells
- One JB4SS NEMA Type 4X stainless steel signal trim junction box
- 25 ft of hostile environment EL147HE SURVIVOR® load cell cable
Standard Features
- Capacities (per module): 0.5 to 5 t
- mV/V/Ohm calibrated load cells eliminates the need for trimming
- Stainless steel construction
- Rocker pin design allows movement in all directions
- Easy load cell replacement
- Integral jacking/shipping bolts
Applications
- Medium-capacity tanks, bins and hoppers
- Washdown or corrosive applications
- Process control and batch weighing
Approvals
Some approval documents are available to view by clicking the icons below.
WARNING: Cancer and Reproductive Harm California Proposition 65
A Weigh Module with Long-Term Reliability
The RLC self-aligning silo mount, together with the RLC load cell family, are an ideal solution for process control, batch weighing, silo/hopper and belt scale applications. The RLC mount incorporates a removable rocker pin design, that uses hardened stainless steel components on all load-bearing surfaces. The fully stainless steel construction guarantees long-term reliability, even in harsh environments.
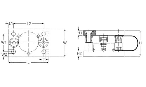
RLC Dimensions

| Rated Capacity | H | H1 | H2 | L | L1 | L2 | T | W | W1 | W2 |
|---|---|---|---|---|---|---|---|---|---|---|
| ton/mm | ||||||||||
| 0.5 to 1 | 80.0 | 20.0 | 15.0 | 150.0 | 15.0 | 120.0 | 14.0 (Top plate) | 100.0 | 70.0 | 15.0 |
| 2 to 5 | 100.0 | 20.0 | 20.0 | 160.0 | 20.0 | 120.0 | 13.8 (Bottom plate) | 110.0 | 70.0 | 20.0 |
Resources/Downloads
Parts
Single Module (Includes Load Cell)
| Part # | Description | List Price | Cart/Quote |
|---|---|---|---|
| 36401 | Mount ASSY,RLC-500kg SST Compression Incl RLC-B10-500kg |
List Price: $1,198.00 |
|
| 36402 | Mount ASSY,RLC-1000kg SST Compression Incl RLC-B10-1000kg |
List Price: $1,198.00 |
|
| 36403 | Mount ASSY,RLC-2000kg SST Compression Incl RLC-B10-2000kg |
List Price: $1,383.00 |
|
| 36405 | Mount ASSY,RLC-5000kg SST Compression Incl RLC-B10-5000kg |
List Price: $1,383.00 |
3-Module Kit
4-Module Kit
Replacement Rocker Pin Set (Kit includes upper cup, rocker pin and grease)
Related Products

VPG® Revere RLC Stainless Steel, Compression Disk Load Cell
The VPG Revere ASC is a single column, stainless steel, welded compression load cell with built-in surge protection to protect the cell from electrical overloads.