Is the website displaying in the correct language? Please confirm or select a different language.
Your region has been set automatically. Please confirm or select a different region.
RLBTM Mild/Stainless Steel Weigh Modules
- Capacities (per module): 250 to 5,000 lb SE
- Zinc plated, mild steel construction or stainless steel construction
- Self-checking, multi-directional movement
- Design incorporates a ball and cup for self-centering
- Will accommodate a standard shear beam 250 to 5,000 lb SE load cell that has a threaded load hole, such as the RL30000, RL39123, RL32018, RL32018S, RL32218S-HE
Applications
- Light- to medium-capacity tanks and hoppers
- Conveyors
Mild or Stainless Steel Weigh Module
The RLBTM mount was specifically created to take advantage of the improved load introduction accuracy of the ball and cup design. This multi-purpose mount is ideal for both indoor and outdoor applications, and can be used with a variety of single-ended beam load cells. Available in both mild and stainless steel. This product offers superior accuracy at an affordable price. These assemblies are also quick and easy to install, making the RLBTM the perfect choice for your low-capacity, multi-purpose weighing needs.
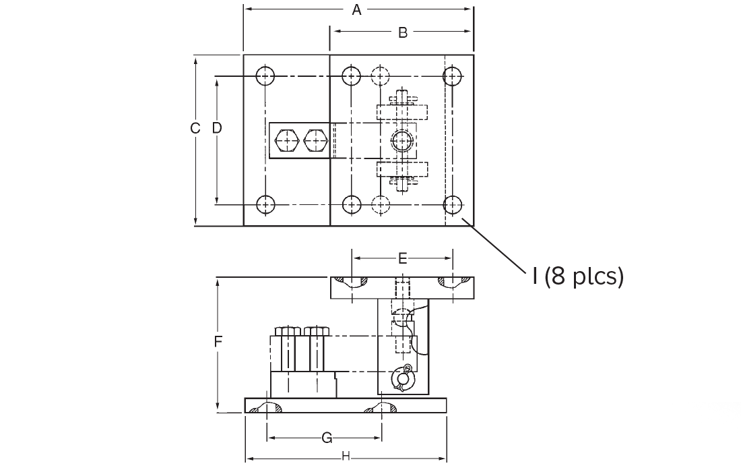
RLBTM Dimensions

| Rated Capacity | A | B | C | D | E | F | G | H | I |
|---|---|---|---|---|---|---|---|---|---|
| lb/in | |||||||||
| 250 to 5,000 SE | 8.00 | 5.00 | 6.00 | 4.50 | 3.50 | 4.75 | 4.00 | 7.00 | 0.63 |
| SE=Small envelope | |||||||||
Resources/Downloads
Parts
Mild Steel Single Module (Does NOT Include Load Cell)
| Part # | Description | List Price | Cart/Quote |
|---|---|---|---|
| 53059 | Mount ASSY,RLBTM Mild Steel Plated 250lb Thru 5KSE |
List Price: $450.00 |