Your region has been set automatically. Please confirm or select a different region.
RL50210TA Mini Tank Weigh Module Kit
Complete Kit Includes
- Three or four neoprene isolation/compression mounts with load cells
- 50 to 250 lb mild steel: RL50210
- 500 lb mild steel: RL30000, RL50210 or RL50225
- 1,000 to 2,500 lb mild steel: RL32018
- 500 lb stainless steel: RL39123 or equivalent
- 1,000 to 2,500 lb stainless steel: RL32018S
- One JB4SS NEMA Type 4X stainless steel signal trim junction box
- 25 ft of hostile environment EL147HE SURVIVOR® load cell cable
Standard Features
- NTEP Certified load cells (1,000 lb, 2,000 lb and 2,500 lb only)
- Zinc plated mild steel or stainless steel assemblies
- Weighing ranges from 50 to 2,500 lb per module
- Neoprene isolation mounts allow for minor misalignment, thermal expansion and shock absorption
- Overload stop provides durability
Applications
- Small tanks and hoppers
- Conveyor/In-motion weighing
- Small platform scales where minor shock loading may occur
Optional Features
- Stainless steel modules available in 500 lb capacities with RL39123 stainless steel load cells
Approvals
Some approval documents are available to view by clicking the icons below.
WARNING: Cancer and Reproductive Harm California Proposition 65
Weighing Module for Medium-Range Needs
The RL50210TA weigh module kit provides a cost-effective alternative for your customer's medium-range weighing needs. A variety of features makes this kit easy to install and an exceptional choice for various indoor weighing applications where checking requirements are low. Environmentally protected load cells, neoprene isolation/compression mounts and other Rice Lake Weighing Systems components are the keys to this module’s performance.
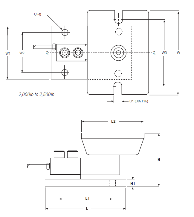
RL50210TA Dimensions




| Rated Capacity | C | C1 | H | H1 | L | L1 | L2 | W | W1 | W2 | W3 |
|---|---|---|---|---|---|---|---|---|---|---|---|
| lb/in | |||||||||||
| 50 to 250 | 0.34 | - | 3.13 | 0.50 | 4.00 | 3.25 | 2.38 | 3.88 | 3.00 | 2.25 | - |
| 500 | 0.44 | 0.56 | 3.88 | 0.50 | 6.00 | 4.00 | 3.38 | 5.50 | 4.00 | 3.00 | 4.13 |
| 1,000 | 0.44 | - | 4.00 | 0.50 | 6.00 | 4.00 | 3.00 | 5.13 | 4.00 | 3.00 | 4.13 |
| 2,000 to 2,500 | 0.44 | 0.56 | 4.00 | 0.50 | 6.00 | 4.00 | 4.62 | 6.25 | 4.00 | 3.00 | 5.00 |
Resources/Downloads
Replacement Parts
| Title | Download | |
|---|---|---|
| RL50210 TA/65059 Mini Tank Assembly Mild Steel Replacement Parts Page | Download | |
| RL50210 TA Mini Tank Assembly Stainless Steel Replacement Parts Page | Download | |
| RL50210 TA/65059 Mini Tank Assembly 500lb Replacement Parts Page | Download | |
| RL50210 TA/65059 Mini Tank Assembly 1000lb - 2500lb Replacement Parts Page | Download |
Parts
Non-NTEP Certified Mild Steel Single Module (Includes Load Cell)
| Part # | Description | List Price | Cart/Quote |
|---|---|---|---|
|
17844
|
Mount ASSY,RL50210TA-50 50 lb Mild Steel Zinc Plated Compression INCL RL50210-50 lb
|
List Price: $433.00 |
|
|
17845
|
Mount ASSY,RL50210TA-100 100 lb Mild Steel Zinc Plated Compression INCL RL50210-100 lb
|
List Price: $433.00 |
|
| 17846 | Mount ASSY,RL50210TA-150 150 lb Mild Steel Zinc Plated Compression INCL RL50210-150 lb |
List Price: $470.00 |
|
| 17847 | Mount ASSY,RL50210TA-250 250 lb Mild Steel Zinc Plated Compression INCl RL50210-250 lb |
List Price: $470.00 |
|
|
17848
|
Mount ASSY,RL50210TA-500 500 lb Mild Steel Zinc Plated Compression INCL RL30000-500 lb
|
List Price: $625.00 |
NTEP Certified Mild Steel Single Module (Includes Load Cell)
Non-NTEP Certified Mild Steel 3-Module Kit
NTEP Certified Mild Steel 3-Module Kit
Non-NTEP Certified Mild Steel 4-Module Kit
NTEP Certified Mild Steel 4-Module Kit
Stainless Steel Single Module (Includes Load Cell)
Stainless Steel 3-Module Kit
Stainless Steel 4-Module Kit
Replacement Parts
Replacement parts can only be purchased through trained and authorized dealers. You must be logged in as a dealer to view any available replacement parts.
To locate a dealer in your area, please call us at 1-800-472-6703 or fill out a request online.
Related Products

Rice Lake RL50210 Alloy Steel, Single-ended Beam Load Cell
The Rice Lake RL50210 single-ended beam, alloy steel load cell is designed for tension- or compression-loading applications.

Rice Lake RL30000I Alloy Steel, Single-ended Beam Load Cell
The Rice Lake RL30000I threaded hole design, alloy steel, threaded hole, single-ended beam load cell is designed for low-profile scales and process applications.

Rice Lake RL32018 Alloy Steel, Single-ended Beam Load Cell
The Rice Lake RL32018 Alloy Steel, Single-Ended Beam is an alloy steel single ended beam cell offered from 250 to 20,000 pounds. Each load cell has 20 feet of cable and is FM approved and NTEP approved from 1,000 to 10,000 pounds.

Rice Lake RL39123 Stainless Steel, Single-ended Beam Load Cell
The Rice Lake RL39123 stainless steel, single-ended beam load cell is designed for low-profile scales and process applications.

Rice Lake RL32018S Stainless Steel, Single-ended Beam Load Cell
The Rice Lake RL32018S Stainless Steel, Single-Ended Beam stainless steel load cell is available in capacities from 250 to 20,000 pounds. Sealed to IP66 standards, each cell includes 20 feet of cable and is FM approved. NTEP approved from 1,000 to 10,000 pounds.