Your region has been set automatically. Please confirm or select a different region.
Rice Lake RL75114-50K Stainless Steel, Rocker Column Load Cell
Stainless steel, hermetically sealed rocker column designed to interchange with the Fairbanks Scales® part number 64166. Comes with 30 ft of overbraid cable to protect it from abrasion and pests. NTEP Certified.
Approvals
Some approval documents are available to view by clicking the icons below.
WARNING: Cancer and Reproductive Harm California Proposition 65
RL75114-50K Load Cell Specifications
|
Full Scale Output: Output Resistance: Input Resistance: Material/Finish: Temperature: |
Seal Type: Safe Overload: Rated Excitation: Combined Error: Non-repeatability: Insulation Resistance: |
Cable Length: Cable Diameter: Cable Color Code: Warranty: Approvals: |
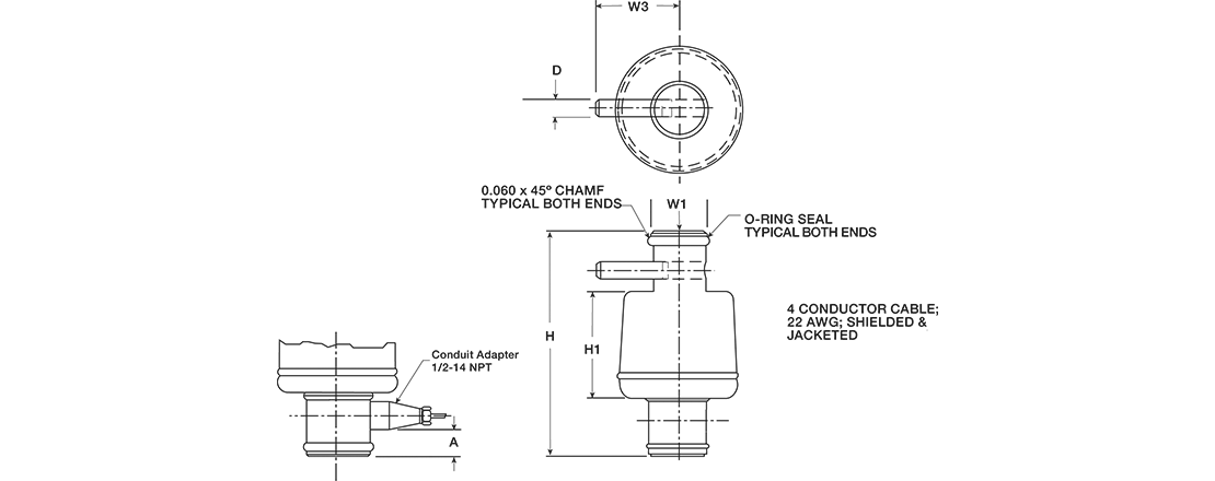
RL75114-50K Load Cell Dimensions

| Rated Capacity | A | D | H | H1 | W1 | W3 |
|---|---|---|---|---|---|---|
| lb/in | ||||||
| 50,000 LE | 0.87 | 0.38 | 7.56 | 2.82 | 1.46 | 2.18 |
Resources/Downloads
Sales Literature
| Title | Collateral Wizard | Request | Download | Category | |
|---|---|---|---|---|---|
| Load Cell Wiring Guide | Request | Download | Load Cells | ||
| Load Cell Selection Guide | Request | Download | Load Cells|Weigh Modules | ||
| Load Cell and Weigh Module Selection Guide | Request | Download | Load Cells|Weigh Modules | ||
| Load Cell and Weigh Module Handbook | Request | Download | Load Cells|Weigh Modules |
Parts
| Part # | Description | List Price | Cart/Quote |
|---|---|---|---|
| 88074 | Load Cell,CSR RL75114-50K 50,000lb 30FT 1.8 mv/v 1000 Ohm EW SST HS NTEP IIIL 10M overbraid cable. |
List Price: $1,450.00 |
Replacement Parts
Replacement parts can only be purchased through trained and authorized dealers. You must be logged in as a dealer to view any available replacement parts.
To locate a dealer in your area, please call us at 1-800-472-6703 or fill out a request online.
