Your region has been set automatically. Please confirm or select a different region.
Rice Lake RL75058I for Coil Scale Load Cell
Nickel plated and environmentally sealed with stainless steel side plates. Used in the Rice Lake Weighing Systems® coil scale. Capacities range from 20,000 to 75,000 lb, complete with 35 ft of load cell cable.
Approvals
Some approval documents are available to view by clicking the icons below.
WARNING: Cancer and Reproductive Harm California Proposition 65
RL75058I for Coil Scale Load Cell Specifications
|
Full Scale Output: Output Resistance: Input Resistance: Material/Finish: Temperature: Seal Type: |
Safe Overload: Safe Sideload: Rated Excitation: Combined Error: Insulation Resistance: Cable Length: |
Cable Diameter: Cable Color Code: Warranty: Approvals: |
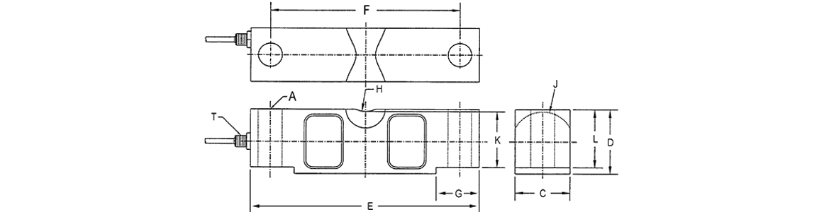
RL75058I for Coil Scale Load Cell Dimensions

| Rated Capacity | A | C | D | E | F | G | H | J | K | L | T |
|---|---|---|---|---|---|---|---|---|---|---|---|
| lb/in | |||||||||||
| 20,000 to 25,000 | 0.68 | 1.69 | 1.94 | 7.75 | 6.50 | 1.38 | 0.75 | 0.90 | 1.63 | 1.70 | 1/4-18 NPT |
| 40,000 | 0.81 | 1.94 | 2.44 | 10.25 | 8.50 | 1.93 | 1.00 | 1.12 | 2.00 | 2.10 | 1/4-18 NPT |
| 50,000 to 75,000 | 1.06 | 2.44 | 2.94 | 10.25 | 8.50 | 1.93 | 1.00 | 1.37 | 2.54 | 2.65 | 1/2-14 NPT |
Resources/Downloads
Sales Literature
| Title | Collateral Wizard | Request | Download | Category | |
|---|---|---|---|---|---|
| Load Cell Wiring Guide | Request | Download | Load Cells | ||
| Load Cell Selection Guide | Request | Download | Load Cells|Weigh Modules | ||
| Load Cell and Weigh Module Selection Guide | Request | Download | Load Cells|Weigh Modules | ||
| Load Cell and Weigh Module Handbook | Request | Download | Load Cells|Weigh Modules |
Parts
| Part # | Description | List Price | Cart/Quote |
|---|---|---|---|
| 121439 | Load Cell,DEB RL75058-20K 20,000lb 35ft 3 mv/v 700 Ohm WW NTEP III 5M FM IP67 |
List Price: $673.00 |
|
| 121440 | Load Cell,DEB RL75058-25K 25,000lb 35ft 3 mv/v 700 Ohm WW NTEP III 5M FM IP67 |
List Price: $673.00 |
|
| 121441 | Load Cell,DEB RL75058-40K 40,000lb 35ft 3 mv/v 700 Ohm WW NTEP III 5M FM IP67 |
List Price: $805.00 |
|
| 121442 | Load Cell,DEB RL75058-50K 50,000lb 35ft 3 mv/v 700 Ohm WW NTEP III 5M FM IP67 |
List Price: $885.00 |
|
| 121443 | Load Cell,DEB RL75058-60K 60,000lb 35ft 3 mv/v 700 Ohm WW NTEP III 5M FM IP67 |
List Price: $885.00 |
|
| 121444 | Load Cell,DEB RL75058-75K 75,000lb 35ft 3 mv/v 700 Ohm WW NTEP III 5M FM IP67 |
List Price: $885.00 |