Your region has been set automatically. Please confirm or select a different region.
Rice Lake RL1250 Aluminum, Single-Point Load Cell
High-capacity, off-center loading load cell accurately weighs loads from 50 to 1,000 kg. Long-term stability and durability are maintained. These load cells with potted cavities offer excellent performance in damp environments.
Approvals
Some approval documents are available to view by clicking the icons below.
WARNING: Cancer and Reproductive Harm California Proposition 65
RL1250 Load Cell Specifications
|
Full Scale Output: Output Resistance: Input Resistance: Material/Finish: Temperature: Seal Type: |
Safe Overload: Rated Excitation: Combined Error: Insulation Resistance: Deflection at Capacity: Cable Length: Cable Diameter: |
Cable Color Code: Max Platform Size: Warranty: Approvals: |
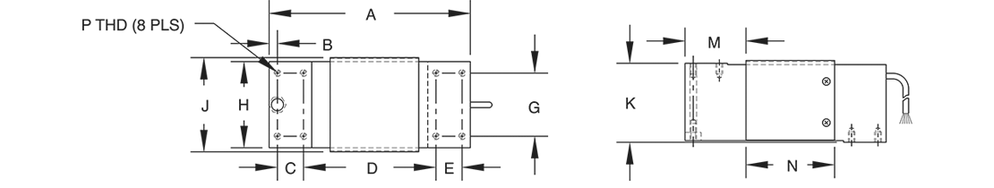
RL1250 Load Cell Dimensions

| Rated Capacity | A | B | C | D | E | G | H | J | K | M | N | P |
|---|---|---|---|---|---|---|---|---|---|---|---|---|
| kg/mm | ||||||||||||
| 50 to 1,000 | 191.0 | 8.0 | 25.0 | 125.0 | 25.0 | 60.0 | 75.0 | 82.0 | 75.0 | 57.5 | 85.0 | 5/16-18 UNC × 15 DP |
Resources/Downloads
Sales Literature
| Title | Collateral Wizard | Request | Download | Category | |
|---|---|---|---|---|---|
| Load Cell Wiring Guide | Request | Download | Load Cells | ||
| Load Cell Selection Guide | Request | Download | Load Cells|Weigh Modules | ||
| Load Cell and Weigh Module Selection Guide | Request | Download | Load Cells|Weigh Modules | ||
| Load Cell and Weigh Module Handbook | Request | Download | Load Cells|Weigh Modules |
Parts
| Part # | Description | List Price | Cart/Quote |
|---|
Related Products

Rice Lake RLPWM12 Aluminum, Single-Point Load Cell
The Rice Lake RLPWM12 aluminum, single-point load cell is ideal for platform, hanging scale and other low-capacity beam applications with capacities ranging from 50 kilograms to 1000 kilograms.

VPG® Tedea-Huntleigh® 1250 Aluminum, Single Point Load Cell
The VPG Tedea-Huntleigh 1250 aluminum, single-point, high-capacity, off-center loading load cell accurately weighs loads from 50 kilograms to 1,000 kilograms (110.2 pounds to 2,205.0 pounds).

Flintec® PCB Stainless Steel, Single Point Load Cell
The Flintec PCB stainless steel, single point load cell is hermetically sealed and provides superior protection in applications where moisture and high humidity are problems.