Your region has been set automatically. Please confirm or select a different region.
MSI-9600HT Hi-torque Port-A-Weigh Plus
- Multi-color LED display
- 12 volt rechargeable battery and universal 115/230 VAC, 50/60 Hz battery charger (NA plug standard)
- Shackle is optional and Crosby® fixed hook provided as standard
- Hi-torque load train designed for use with powered rotation
Options
(Contact MSI for application consultation)
- Top shackle
- Rugged Remote
- Anti-heat shielding
- Substitute bottom hook with shackle
- Oversized top or shackle
- Oversized bottom hooks
- Universal direct power supply
- Wi-Fi communication
- RF modem install for connectivity to MSI-8000, MSI-8000HD RF, MSI-8004HD RF remote display, TranSend™ and LaserLight2™ remote display
- Typically 100 to 300ft, line of sight; for longer range consult factory Low headroom top adapter
- Audible alarm
- Custom top and bottom interfaces
Approvals
Some approval documents are available to view by clicking the icons below.
WARNING: Cancer and Reproductive Harm California Proposition 65
Hi-Torque Wireless Crane Scale
The MSI-9600HT Hi-Torque Port-A-Weigh Plus has two versions to meet the needs of heavy-capacity weighing applications. Capacities range from 10,000 to 70,000 pounds (±0.1% accuracy) or 100,000 to 200,000 pounds (±0.2% accuracy). The unit of measurement can be selected between pounds and kilograms for both versions.
Operators of this digital crane scale can program the display to change color when nearing an overload condition. Operation times can reach up to 250 hours with the 12-volt rechargeable battery. The MSI-9600HT meets or exceeds industrial safety regulations and has a 200% Safe and 500% Ultimate Safety Factor to minimize overloading accidents.
MSI-9600HT Hi-Torque Port-A-Weigh Plus Specifications
|
Power: Resolution: Accuracy: Display: Displayable Units: Keys/Buttons: |
Temperature: Rating/Material: Design Overload: Operating Time: Auto-Off Mode: Auto Sleep Mode: |
Service Counters: Filtering: Radio Link: Radio Link Effective Range: Warranty: Approvals: |
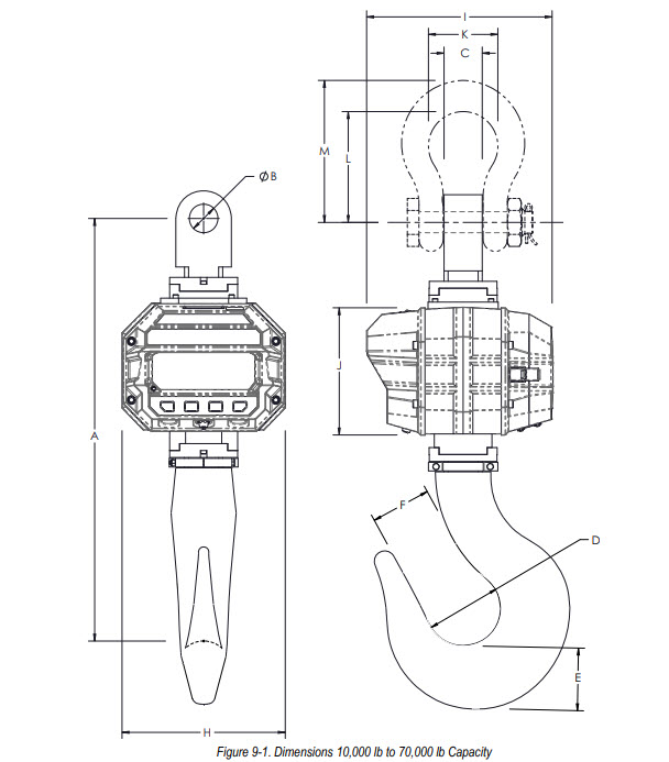
MSI-9600HT Hi-Torque Port-A-Weigh Plus Dimensions 10,000 lb to 70,000 lb Capacity

| Part Number | Capacity | A | B | C | D | E | F | H | I | J |
|---|---|---|---|---|---|---|---|---|---|---|
| 214371 | 10K | 19.6in | Ø1.28 in | 1.75 in | 2.50 in | 1.82 in | 1.78 in | 11.80 in | 13.40 in | 9.20 in |
| 214370 | 30K | 23.4 in | Ø1.66 in | 2.15 in | 4.25 in | 3.01 in | 3.41 in | 11.80 in | 13.40 in | 9.20 in |
| 214369 | 70K | 30.5 in | Ø2.06 in | 2.75 in | 5.38 in | 4.56 in | 4.25 in | 11.80 in | 13.40 in | 9.20 in |
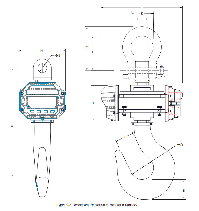
MSI-9600HT Hi-Torque Port-A-Weigh Plus Dimensions 100,000 lb to 200,000 lb Capacity

| Part Number | Capacity | A | B | C | D | E | F | H | I | J |
|---|---|---|---|---|---|---|---|---|---|---|
| 214477 | 100K | 27.9 in | Ø2.32 in | 3.10 in | 3.00 in | 5.06 in | 4.75 in | 12.00 in | 20.90 in | 9.20 in |
| 214474 | 120K | 29.5 in | Ø2.32 in | 3.10 in | 7.00 in | 6.00 in | 5.75 in | 12.00 in | 20.90 in | 9.20 in |
| 214479 | 200K | 35.4 in | Ø2.81 in | 3.75 in | 6.81 in | 8.59 in | 5.88 in | 12.00 in | 20.90 in | 9.20 in |
Shackle Dimensions
|
Part # |
W.l.l. Tons | Size | A | B |
C |
D | E |
F |
H | L | N | P | Weight |
|---|---|---|---|---|---|---|---|---|---|---|---|---|---|
| 151357 | 3 1/4 | 0.63 in | 1.06 in | 0.75 in | 2.38 in | 0.63 in | 1.69 in | 1.56 in | 4.22 in | 2.94 in | 0.69 in | N/A | 1.58 lb |
| 151355 | 6 1/2 | 0.88 in | 1.44 in | 1.00 in | 3.31 in | 0.88 in | 2.28 in | 2.13 in | 5.75 in | 4.03 in | 0.97 in | 5.00 in | 3.95 lb |
| 141992 | 17 | 1.50 in | 2.38 in | 1.63 in | 5.75 in | 1.50 in | 3.88 in | 3.63 in | 9.88 in | 6.88 in | 1.62 in | 8.25 in | 19.50 lb |
| 151356 | 25 | 1.75 in | 2.88 in | 2.00 in | 7.00 in | 1.75 in | 5.00 in | 4.32 in | 11.88 in | 8.50 in | 2.12 in | 9.59 in | 31.30 lb |
| 146634 | 30 | 1.50 in | 2.38 in | 1.63 in | 5.75 in | 1.50 in | 3.88 in | 3.63 in | 9.88 in | 6.88 in | 1.62 in | 8.25 in | 20.80 lb |
| 146335 | 40 | 1.75 in | 2.88 in | 2.00 in | 7.00 in | 1.75 in | 5.00 in | 4.32 in | 11.88 in | 8.50 in | 2.12 in | 9.59 in | 33.91 lb |
| 146336 | 55 | 2.00 in | 3.25 in | 2.25 in | 7.75 in | 2.00 in | 5.75 in | 5.00 in | 13.38 in | 9.75 in | 2.00 in | 11.00 in | 51.75 lb |
| 151359 | 85 | 2.50 in | 4.12 in | 2.75 in | 10.50 in | 2.72 in | 7.25 in | 5.69 in | 17.84 in | 12.87 in | 3.12 in | 13.58 in | 96.00 lb |
| 151360 | 120 | 3.00 in | 5.00 in | 3.25 in | 13.00 in | 3.00 in | 7.88 in | 6.50 in | 21.50 in | 14.50 in | 3.63 in | 16.50 in | 178.00 lb |
| 83455 | 120 | 3.00 in | 5.00 in | 3.25 in | 13.00 in | 3.11 in | 7.88 in | 6.50 in | 21.50 in | 14.36 in | 3.63 in | 15.13 in | 178.00 lb |
| 151361 | 175 | 4.00 in | 5.50 in | 4.25 in | 14.50 in | 4.00 in | 10.00 in | 9.00 in | 25.69 in | 18.38 in | 4.56 in | 19.75 in | 338.00 lb |
| 151358 | 250 | 4.00 in | 8.50 in | 5.00 in | 20.00 in | 4.50 in | 13.00 in | 12.00 in | 35.00 in | 24.50 in | 6.50 in | 22.68 in | 600.00 lb |
| Oversized Shackles | |||||||||||||
| 148497 | 40 | 1.75 in | 2.88 in | 2.00 in | 10.00 in | 2.25 in | 6.00 | 4.32 | 15.35 | 10.50 in | 2.25 in | 9.00 in | 45.00 lb |
| 148393 | 40 | 2.25 in | 2.88 in | 2.00 in | 12.50 in | 2.25 in | 8.00 | 4.32 | 17.85 | 12.50 in | 2.25 in | 10.00 in | 90.00 lb |
| 148394 | 50 | 2.00 in | 3.25 in | 2.25 in | 12.25 in | 2.50 in | 8.00 | 5.00 | 18.50 | 13.00 in | 2.50 in | 11.00 in | 72.00 lb |
| Shims | |||||||||||||
| 146534 | (For use with 50,000 to 70,000 ton systems) | ||||||||||||
Resources/Downloads
Articles
| Title | View | Category | Type | |
|---|---|---|---|---|
| Why Buy MSI? | Overhead Weighing Systems|Tension Dynamometers | Articles |
Manuals
| Title | Version | Revision | Download | Category | Archived | |
|---|---|---|---|---|---|---|
| MSI-9600/MSI-9600HT Port-A-Weigh Plus Crane Scales Technical Manual | B | Download | MSI Crane Scales | No | ||
| MSI-9600 Retrofit Kit Installation Instructions | B | Download | MSI Crane Scales|MSI Instrumentation|MSI Load Cells | No | ||
| Battery Life Optimization - MSI | Download | MSI Crane Scales | No | |||
| MSI-9600 Port-A-Weigh Crane Scale MSI-4300 to MSI-9600 Retrofit Kit Installation Addendum | A | Download | MSI Crane Scales|MSI Instrumentation|MSI Load Cells | No |
Parts
| Part # | Description | List Price | Cart/Quote |
|---|---|---|---|
| 214371 | MSI-9600HT 10K FINAL ASSY TORQUE RESISTANT |
List Price: $14,400.00 |
|
| 214370 | MSI-9600HT 30K FINAL ASSY TORQUE RESISTANT |
List Price: $14,400.00 |
|
| 214369 | MSI-9600HT 70K FINAL ASSY TORQUE RESISTANT |
List Price: $20,400.00 |
|
| 214477 | MSI-9600HT 100K Shear Web Final Assy Torque Resistant |
Consult |
|
| 214479 | MSI-9600HT 200K Shear Web Final Assy.Torque Resistant |
Consult |
|
| 214474 | MSI-9600HT 120000Lb Final Assembly. Torque Resistant |
Consult |
Options
| Part # | Description | List Price | Cart/Quote |
|---|---|---|---|
| 141992 | Shackle Anchor 17 Ton Bolt Type, G-2130 |
Consult |
|
| 146335 | Shackle Anchor 40 Ton Bolt Type |
Consult |
|
| 146336 | Shackle Anchor,55 Ton Bolt Type |
Consult |
|
| 150971 | MSI-4260B Remote Disp Opt Kit, RF. Modem Will Allow For Connectivity With an MSI-8000 Remote Display |
List Price: $244.00 |
|
| 173014 | MSI-Rugged Remote Control Non-CE for Products with XBEE Radios |
List Price: $375.00 |
|
| 153591 | Remote Display, ScaleCore RF, MSI-8000HD, 85 to 265 VAC |
List Price: $1,675.00 |
|
| 178004 | 4in LASERLIGHT2 MSI RF Includes ScaleCore RF Kit and Tilt Mounting Bracket |
List Price: $3,350.00 |
|
| 178006 | 6in LASERLIGHT2 MSI XBEE RF Includes ScaleCore RF Kit and Tilt Mount Bracket |
List Price: $3,850.00 |
|
| 159221 | MSI CRANE CART (48.50) |
List Price: $1,425.00 |
|
| 176956 | Option Kit,Wifi Modem, MSI-4260/9600HT/6360 & Will Allow For Connectivity with Scaleconnect App. |
List Price: $490.00 |
|
| 144126 | SHACKLE ANCHOR 9.5 TON BOLT TYPE |
Consult |
|
| 219713 | CONVERSION KIT, RETROFIT 9300 TO 9600. |
List Price: $2,700.00 |
|
| Consult | AC direct power supply |
List Price: $560.00 |
Accessories
Replacement Parts
Replacement parts can only be purchased through trained and authorized dealers. You must be logged in as a dealer to view any available replacement parts.
To locate a dealer in your area, please call us at 1-800-472-6703 or fill out a request online.
Related Products

Rugged Remote
The Rugged Remote is a handheld remote control that is compatible with all the MSI ScaleCore™-based products including: MSI-7300 Dyna-Link 2, MSI-3460 Challenger 3, MSI-4260 Port-A-Weigh, MSI-7000 and MSI-7001 TranSend™, MSI-9600HT and MSI-6360.

MSI-8000 RF Remote Display
The MSI-8000 RF Remote Display is a full-featured remote display enabling operators to operate weighing systems from a distance not offering harm's way.

MSI-8000HD Digital Weight Indicator/Remote Display
The MSI-8000HD weight indicator/RF remote display is the heavy-duty version of the reputable handheld MSI-8000 RF remote display.

MSI-8004HD Indicator/RF LED Remote Display
The MSI-8004HD Indicator and RF Remote Display has all of the heavy-duty versatility of the MSI-8000HD with the added benefit of extremely high visibility in indoor and outdoor applications.

LaserLight3™ Color Remote Display with Messaging
LaserLight3 remote display has a color display with customizable messaging and versatile layout options including mirror mode, 1-line, 2-line, 4-line and quadrant formats.