Your region has been set automatically. Please confirm or select a different region.
MagnaMount™ Tank, Truck, Rail Assembly
- Capacities (per module): 50,000 lb, 100,000 lb and 200,000 lb
- Protects load cell from shock and side loads
- Low-profile design
- High-capacity and rugged load-bearing plate made of high-grade carbon steel hardened to Rockwell C 48-54
- PTFE coated shock-absorbing pads
- Compatible with VPG® Revere CP and CSP, and Rice Lake RLCSP1 NTEP Certified load cells
Applications
- Truck scale mount*
- Heavy-capacity horizontal tanks*
- Railroad track mount*
*Check rods required
Constant Load Cell Protection
The MagnaMount tank, truck and railroad scale assembly is designed for use with Rice Lake Weighing Systems' RLCSP1 or VPG Revere CP or CSP load cells. The "shielded cell" load cell mounting assembly is a highly reliable design that shields the load cell from shock and side load effects, assuring accurate weighing even under adverse loading conditions.
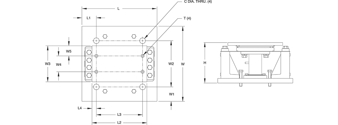
MagnaMount Dimensions

| Rated Capacity | C | H | L | L1 | L2 | L3 | L4 | T | W | W1 | W2 | W3 | W4 | W5 |
|---|---|---|---|---|---|---|---|---|---|---|---|---|---|---|
| lb/in | ||||||||||||||
| 50,000 | 1.25 | 7.39 | 13.00 | 1.75 | 11.25 | 8.50 | 1.37 | 3/4-10 UNC | 12.00 | 1.75 | 8.50 | 8.00 | 4.50 | 1.75 |
| 100,000 | 1.50 | 11.29 | 20.00 | 2.25 | 18.00 | 15.50 | 1.25 | 7/8-9 UNC | 17.00 | 2.50 | 12.00 | 9.00 | 5.50 | 1.75 |
| 200,000 | 2.00 | 14.10 | 26.00 | 5.00 | 19.00 | 16.00 | 1.50 | 1-8 UNC | 26.00 | 5.00 | 16.00 | 12.50 | 5.50 | 3.50 |
Resources/Downloads
Parts
| Part # | Description | List Price | Cart/Quote |
|---|---|---|---|
| 21723 | Mount,Magna Mount 10,000- 50,000 lb Steel Painted Compression No Cell |
List Price: $2,225.00 |
|
| 21724 | Mount,Magna Mount 100,000 lb Steel Painted Compression No Cell |
List Price: $2,650.00 |
|
| 17974 | Mount,Magna Mount 200,000 lb Steel Painted Compression No Cell |
List Price: $4,595.00 |
Replacement Parts
Replacement parts can only be purchased through trained and authorized dealers. You must be logged in as a dealer to view any available replacement parts.
To locate a dealer in your area, please call us at 1-800-472-6703 or fill out a request online.
Related Products

VPG® Revere CP Stainless Steel, Compression Canister Load Cell
VPG Revere CP welded-seal, compression canister load cell designed for compression service only is built for reliability, durability and extreme precision in most industrial applications.

Rice Lake RLCSP1 Stainless Steel, Compression Canister Load Cell
The Rice Lake RLCSP1 Stainless Steel, Compression Canister Load Cell is built for reliability, durability and extreme precision in vehicle and process applications.