Your region has been set automatically. Please confirm or select a different region.
Load Cell Eye Bolts
- Mild steel
- One jam nut included with each eye bolt
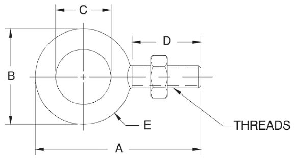
Load Cell Eye Bolt Dimensions

| Part # | A | B | C | D | E | Thread Size | Safe Load* |
|---|---|---|---|---|---|---|---|
| Mild Steel | |||||||
| 17705 | 2.25 in | 1.25 in | 0.75 in | 1.00 in | 0.25 in | 1/4-28 UNF | 500 lb |
| 17707 | 2.91 in | 1.66 in | 1.00 in | 1.25 in | 0.33 in | 3/8-24 UNF | 1,300 lb |
| 17709 | 3.56 in | 2.06 in | 1.19 in | 1.50 in | 0.44 in | 1/2-20 UNF | 2,400 lb |
| 17711 | 4.25 in | 2.50 in | 1.37 in | 1.75 in | 0.56 in | 5/8-18 UNF | 4,000 lb |
| 17713 | 4.81 in | 2.81 in | 1.50 in | 2.00 in | 0.66 in | 3/4-16 UNF | 5,000 lb |
| 17715 | 6.06 in | 3.56 in | 1.81 in | 2.50 in | 0.87 in | 1-12 UNF | 9,000 lb |
| 17716 | 6.06 in | 3.56 in | 1.81 in | 2.50 in | 0.87 in | 1-14 UNS | 9,000 lb |
| 17704 | 2.25 in | 1.25 in | 0.75 in | 1.00 in | 0.25 in | 1/4-20 UNC | 500 lb |
| 17706 | 2.91 in | 1.66 in | 1.00 in | 1.25 in | 0.33 in | 3/8-16 UNC | 1,300 lb |
| 17708 | 3.56 in | 2.06 in | 1.19 in | 1.50 in | 0.44 in | 1/2-13 UNC | 2,400 lb |
| 17710 | 4.25 in | 2.50 in | 1.37 in | 1.75 in | 0.56 in | 5/8-11 UNC | 4,000 lb |
| 17712 | 4.81 in | 2.81 in | 1.50 in | 2.00 in | 0.66 in | 3/4-10 UNC | 5,000 lb |
| 17714 | 6.06 in | 3.56 in | 1.81 in | 2.50 in | 0.87 in | 1-8 UNC | 9,000 lb |
| 17717 | 7.44 in | 4.44 in | 2.19 in | 3.00 in | 1.12 in | 1 1/4-7 UNC | 15,000 lb |
| *Do not exceed the safe load | |||||||
Resources/Downloads
Parts
| Part # | Description | List Price | Cart/Quote |
|---|---|---|---|
| 17705 | Eye Bolt,1/4-28NFx1 Shank 500 lb Steel Zinc Plated Jam Nut INCL |
List Price: $30.00 |
|
| 17707 | Eye Bolt,3/8-24NFx1-1/4 Shank 1,400 lb Steel Zinc Plated Jam Nut INCL |
List Price: $30.00 |
|
| 17709 | Eye Bolt,1/2-20NFx1-1/2 Shank 2,600 lb Steel Zinc Plated Jam Nut INCL |
List Price: $31.00 |
|
| 17711 | Eye Bolt,5/8-18NFx1-3/4 Shank 4,000 lb Steel Zinc Plated Jam Nut INCL |
List Price: $36.00 |
|
| 17713 | Eye Bolt,3/4-16NFx2 Shank 6,000 lb Steel Zinc Plated Jam Nut INCL |
List Price: $76.00 |
|
| 17715 | Eye Bolt,1-12NFx2-1/2 Shank 9,000 lb Steel Zinc Plated Jam Nut INCL |
List Price: $120.00 |
|
| 17716 | Eye Bolt,1-14NS x 2-1/2 Shank 9,000 lb Steel Zinc Plated Jam Nut INCL |
List Price: $120.00 |
|
| 17704 | Eye Bolt,1/4-20NCx1 Shank 500 lb Steel Zinc Plated Jam Nut INCL |
List Price: $25.00 |
|
| 17706 | Eye Bolt,3/8-16NCx1-1/4 Shank 1,400 lb Steel Zinc Plated Jam Nut INCL |
List Price: $27.00 |
|
| 17708 | Eye Bolt,1/2-13NCx1-1/2 Shank 2,600 lb Steel Zinc Plated Jam Nut INCL |
List Price: $27.00 |
|
| 17710 | Eye Bolt,5/8-11NCx1-3/4 Shank 4,000 lb Steel Zinc Plated Jam Nut INCL |
List Price: $40.00 |
|
| 17712 | Eye Bolt,3/4-10NCx2 Shank 6,000 lb Steel Zinc Plated Jam Nut INCL |
List Price: $60.00 |
|
| 17714 | Eye Bolt,1-8NCx2-1/2 Shank 9,000 lb Steel Zinc Plated Jam Nut INCL |
List Price: $62.00 |
|
| 17717 | Eye Bolt,1-1/4-7NCx3 Shank 15,000 lb Steel Zinc Plated Jam Nut INCL |
List Price: $175.00 |