Your region has been set automatically. Please confirm or select a different region.
Interface® 3200 Series Stainless Steel, Compression Disk Load Cell
Designed specifically for difficult applications in harsh environments, these units incorporate welded stainless steel diaphragms to resist corrosion and seal against moisture intrusion. These load cells provide high accuracy, resistance to off-center loads with minimum error, excellent temperature specifications and low-height envelope for ease of installation. Capacities range from 5,000 to 100,000 lb. Complete with 20 ft of load cell cable.
3200 Series Load Cell Specifications
|
Full Scale Output: Bridge Resistance: Material/Finish: Temperature: |
Seal Type: Safe Overload: Rated Excitation: Nonlinearity: Hysteresis: |
Insulation Resistance: Cable Length: Cable Color Code: Warranty: |
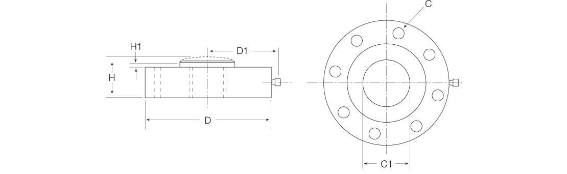
3200 Series Load Cell Dimensions

| Rated Capacity | C | C1 | D | D1 | H | H1 |
|---|---|---|---|---|---|---|
| lb/in | ||||||
| 5,000 to 10,000 | 0.28 dia 8 Holes | 1.34 | 4.12 | 2.56 | 1.37 | 0.12 |
| 25,000 to 50,000 | 0.34 dia 4 Holes | 1.57 | 4.75 | 2.87 | 1.75 | 0.12 |
| 100,000 | 0.47 dia 12 Holes | 3.12 | 7.50 | 4.25 | 2.25 | 0.25 |
Resources/Downloads
Parts
Model 3211
| Part # | Description | List Price | Cart/Quote |
|---|---|---|---|
| 36140 | Load Cell,CDK 3211-BBE-5k Low Profile SST HS 5000lb 20ft Interface 4mV/V 350 OHM IP66/68 |
List Price: $2,195.00 |
|
| 36141 | Load Cell,CDK 3211BBE-10k Low Profile SST HS 10,000lb 20ft Interface 4mV/V 350 OHM IP66/68 |
List Price: $2,195.00 |