Your region has been set automatically. Please confirm or select a different region.
Flintec® BK2 Stainless Steel, Single-Ended Beam Load Cell
Designed to lower the scale profile by providing a load cell that is half the overall height of traditional solutions. Ideal for applications such as low-profile floor scales, this model is constructed of stainless steel and is environmentally protected for indoor applications. mV/V/ohm calibration assures matched outputs for easy calibration. Available in capacities from 200 to 2,000 kg and includes 10 ft of standard load cell cable. Non-NTEP Certified solutions at 200 kg capacity. NTEP certified for 500 to 2000 kg.
Approvals
Some approval documents are available to view by clicking the icons below.
WARNING: Cancer and Reproductive Harm California Proposition 65
BK2 Load Cell Specifications
|
Full Scale Output: Output Resistance: Input Resistance: Material/Finish: Temperature: Seal Type: |
Safe Overload: Safe Sideload: Rated Excitation: Combined Error: Insulation Resistance: Cable Length: |
Cable Diameter: Cable Color Code: Warranty: Approvals: |
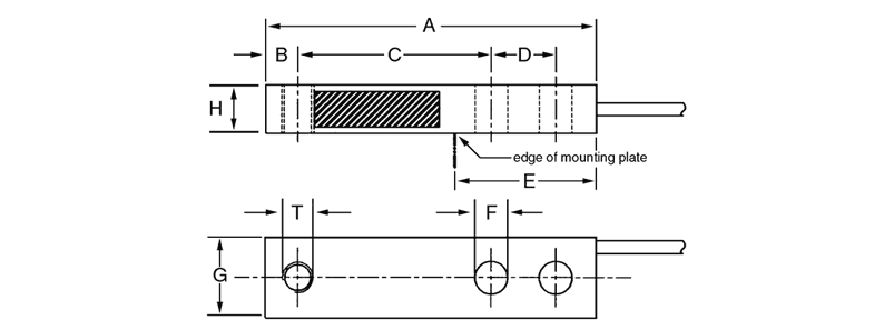
BK2 Load Cell Dimensions

| Rated Capacity | A | B | C | D | E | F | G | H | T* |
|---|---|---|---|---|---|---|---|---|---|
| kg/mm | |||||||||
| 200 | 128.5 | 12.7 | 76.2 | 25.4 | 53.8 | 13(2x) | 31.8 | 16.1 | 1/2-20 UNF |
| 500 | 128.5 | 12.7 | 76.2 | 25.4 | 53.8 | 13(2x) | 31.8 | 16.1 | 1/2-20 UNF |
| 1,000 | 128.5 | 12.7 | 76.2 | 25.4 | 53.8 | 13(2x) | 31.8 | 19.1 | 1/2-20 UNF |
| 2,000 | 130.2 | 12.7 | 76.2 | 25.4 | 53.8 | 13(2x) | 31.8 | 25.4 | 1/2-20 UNF |
| *Metric thread is available | |||||||||
Resources/Downloads
Parts
NTEP Certified
| Part # | Description | List Price | Cart/Quote |
|---|---|---|---|
| 84839 | Load Cell,SEB BK2-500kg TU 500kg 10ft Flintec 2mv/v 1000 OHM NTEP III 5M SST IP67 1/2-20 |
List Price: $250.00 |
|
| 84840 | Load Cell,SEB BK2-1000kg TU 1000kg 10ft Flintec 2mv/v 1000 OHM NTEP III 5M SST IP67 1/2-20 |
List Price: $250.00 |
|
| 84841 | Load Cell,SEB BK2-2000kg TU 2000kg 10ft Flintec 2mv/v 1000 OHM NTEP III 5M SST IP67 1/2-20 |
List Price: $250.00 |